Skip to Content
Home
Shop
Dealership
Services
Contact us
Gallery
0
+1 231-269-4100
Sign in
Contact U
s
0
Home
Shop
Dealership
Services
Contact us
Gallery
+1 231-269-4100
Sign in
Contact U
s
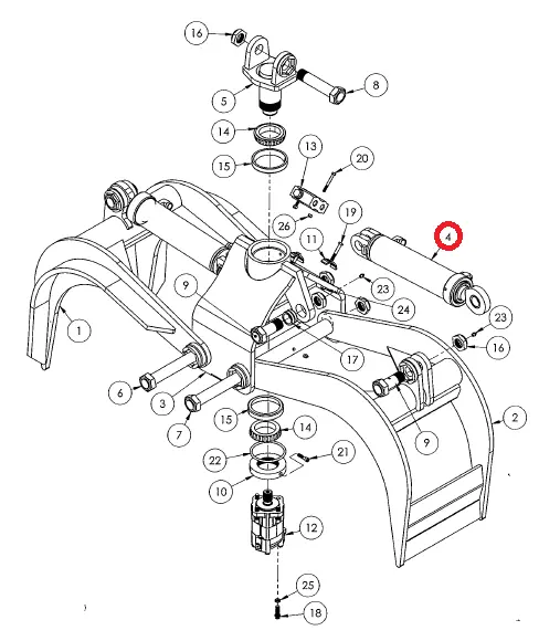
ASSY 3.50X12.00X2.00 GRAPPLE CYLINDER - Part No. 021267
$
1,222.93
Specifications
Request a Quote
2312694100
Tools
Print Spec Sheet
Email Inquiry