Skip to Content
Home
Shop
Dealership
Services
Contact us
Gallery
0
+1 231-269-4100
Sign in
Contact U
s
0
Home
Shop
Dealership
Services
Contact us
Gallery
+1 231-269-4100
Sign in
Contact U
s
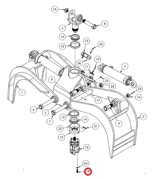
SCREW 12PT 0.50-13 X 1,50 - Part No. AA2649
$
1.34
Specifications
Request a Quote
2312694100
Tools
Print Spec Sheet
Email Inquiry