Skip to Content
Home
Shop
Dealership
Services
Contact us
Gallery
0
+1 231-269-4100
Sign in
Contact U
s
0
Home
Shop
Dealership
Services
Contact us
Gallery
+1 231-269-4100
Sign in
Contact U
s
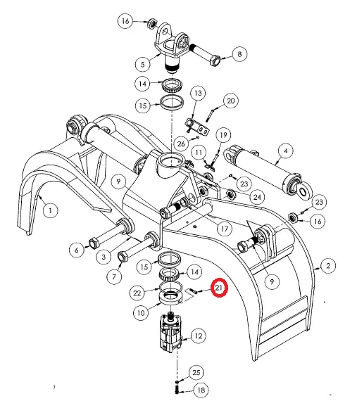
SHCS 0.38-16 UNC X 1.50 - Part No. AA2242
$
1.01
Specifications
Request a Quote
2312694100
Tools
Print Spec Sheet
Email Inquiry