Skip to Content

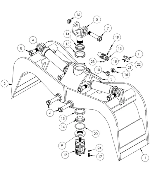
ASSY GRAPPLE, 1/3 CD BUTT, BB ARMS 680893

https://midwesttractor.com/web/image/product.template/422/image_1920?unique=e6969fe

3,004.96 3004.96 USD 3,004.96

Not Available For Sale

This combination does not exist.

Terms and Conditions
30-day money-back guarantee
Shipping: 2-3 Business Days

[1050XR - 680893] ASSY GRAPPLE, 1/3 CD BUTT, BB ARMS 680893

Ref No Part No Part Avail Qty Qty Price Cart
1 690230R [1050 XR - 690230R] WLDT GRAPPLE ARM, 1/3 CORD B.B. BUTT, RIGHT - Part No. 690230R
Shipping: Special Order
10 $0.00 Contact Us
2 690230L [1050 XR - 690230L] WLDT GRAPPLE ARM, 1/3 CORD B.B. BUTT, LEFT - Part No. 690230L
Shipping: Special Order
10 $0.00 Contact Us
3 5001600 [1050 XR - 5001600] PART # 5001600 POST-MCHG 2000 HEAD WLDT, BUTT - Part No. 5001600
Shipping: Special Order
10 $0.00 Contact Us
4 021201 [1050 XR - 021201] ASSY CYL., 3.50 X 10.00 - PART No. 021201
Shipping: Standard Delivery
10 $885.00
5 680316 [1050 XR - 680316] WTMG YOKE, SERCO 3.00, 1.25-14TH - Part No. 680316
Shipping: Standard Delivery
10 $759.35
6 462544 [1050 XR - 462544] WTMG BOLT, 1.50 X 22.50 - Part No. 462544
Shipping: Standard Delivery
10 $174.55
7 462423 [1050 XR - 462423] WTMG BOLT, 1.50 X 7.00 - Part No. 462423
Shipping: Standard Delivery
10 $110.22
8 460422 [1050 XR - 460422] WTMG BOLT, 1.50 X 3.63 W/ GRS FTG - Part No. 460422
Shipping: Standard Delivery
10 $98.88
9 460901 [1050 XR - 460901] MCHG YOKE NUT, 3.00-10 UNS - Part No. 460901
Shipping: Standard Delivery
10 $86.02
10 450523 [1050 XR - 450523] STEEL BUSHING 1.510 X 1.985 - Part No. 450523
Shipping: Standard Delivery
10 $24.75
11 680796 [1050 XR - 680796] HOSE CLAMP, GRAPPLE HEAD - Part No. 680796
Shipping: Standard Delivery
10 $16.71
12 GG6015 [1050 XR - GG6015] HYD MOTOR, 18.6 CI - Part No. GG6015
Shipping: Standard Delivery
10 $695.00
13 GG6511 [1050 XR - GG6511] CUSHION VALVE, 1850 PSI RELIEFS - Part No. GG6511
Shipping: Standard Delivery
10 $252.38
14 GG3011 [1050 XR - GG3011] BEARING CONE - Part No. GG3011
Shipping: Standard Delivery
10 $49.81
15 GG3211 [1050 XR - GG3211] BEARING CUP - Part No. GG3211
Shipping: Standard Delivery
10 $23.69
16 AA1259 [1050 XR - AA1259] NUT, 1.50 NYLOCK - Part No. AA1259
Shipping: Standard Delivery
10 $14.95
17 AA2649 [1050 XR - AA2649] SCREW 12PT 0.50-13 X 1.50 - Part No. AA2649
Shipping: Standard Delivery
10 $1.34
20 CC5599 [1050 XR - CC5599] O-RING 2-425 - Part No. CC5599
Shipping: Standard Delivery
10 $1.58
21 AA4501 [1050 XR - AA4501] GREASE FITTING, 1/8"-27 STRT - Part No. AA4501
Shipping: Standard Delivery
10 $1.08
22 AA1203 [1050 XR - AA1203] NUT NYLOCK 0.38-16 UNC - Part No. AA1203
Shipping: Standard Delivery
10 $0.39
23 AA1202 [1050 XR - AA1202] NYLOCK NUT, 0.31-18 UNC - Part No. AA1202
Shipping: Standard Delivery
10 $0.34
24 AA1424 [1050 XR - AA1424] LOCK WASHER, 0.50 HI-COLLAR- Part No. AA1424
Shipping: Standard Delivery
10 $0.98