Skip to Content
Home
Shop
Dealership
Services
Contact us
Gallery
0
+1 231-269-4100
Sign in
Contact U
s
0
Home
Shop
Dealership
Services
Contact us
Gallery
+1 231-269-4100
Sign in
Contact U
s
Products
Grapples
Grapples
-
Sort By:
Featured
Featured
Newest Arrivals
Name (A-Z)
Price - Low to High
Price - High to Low
Grapples
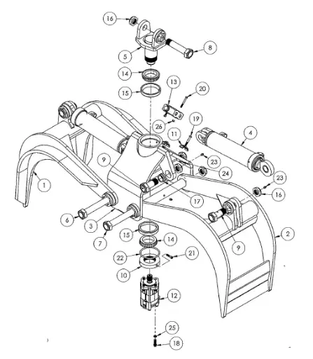
ASSY GRAPPLE, 1/3 CD BUTT, BB ARMS 680893
$
3,004.96
3004.96
USD
ASSY SERCO 1/4 CORD COMBINATION GRAPPLE 680978
Not Available For Sale
0.0
USD
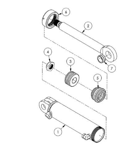
ASSY SERCO CYLINDER, 4.00 X 12.25 021302
$
1,998.44
1998.44
USD
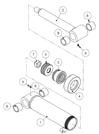
ASSY CYL. 3.50 X 11.00 X 2.00 021226
$
1,255.25
1255.25
USD
ASSY GRAPPLE CYLINDER 3.50 X 12.00 021267
$
1,222.93
1222.93
USD
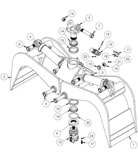
ASSY GRAPPLE, 1/3 CD NON-C/R BYPASS SLASHER 680854
Not Available For Sale
0.0
USD
ASSY SERCO 1/4 CORD NON-CONT. BYPASS GRAPPLE 680913
Not Available For Sale
0.0
USD