Skip to Content

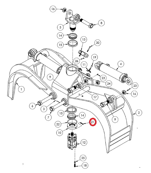
SHCS 0.38-16 UNC X 1.50 - Part No. AA2242

https://midwesttractor.com/web/image/product.template/755/image_1920?unique=9e98c5a

1.01 1.01 USD 1.01

Not Available For Sale

This combination does not exist.

Terms and Conditions
30-day money-back guarantee
Shipping: 2-3 Business Days

Service Request Form

You are reporting a problem for: SHCS 0.38-16 UNC X 1.50 - Part No. AA2242