Skip to Content

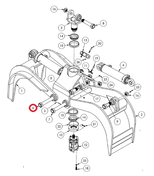
WTMG BOLT, 1.50 X 22.50 - Part No. 462544

https://midwesttractor.com/web/image/product.template/743/image_1920?unique=e6969fe

174.55 174.55 USD 174.55

Not Available For Sale

This combination does not exist.

Terms and Conditions
30-day money-back guarantee
Shipping: 2-3 Business Days